FD30-55G-4 Преобразователь частоты
|
Номинальный ток
|
112 А |
|
Мощность, кВт
|
55,0 |
|
Род тока
|
AC |
|
Входное напряжение
|
3 фазы 380В |
|
Выходное напряжение
|
3 фазы 380В |
|
Перегрузочная способность, А
|
168 |
|
Степень защиты оболочки
|
IP20 |
Подберем и поможем внедрить оборудование и программное обеспечение для систем автоматизации в любой отрасли промышленности.
Отправьте письмо на нашу электронную почту со своей задачей, чертежами и техническим заданием, а наши квалифицированные специалисты помогут подобрать все необходимое оборудование под ваш проект.
Доставка:
-
Самовывоз
-
Транспортная компания
-
Курьерская служба
-
Срок отгрузки: 120 дн.
Оплата:
-
Банковской картой на сайте
-
Безналичный расчет
Подберем и поможем внедрить оборудование и программное обеспечение для систем автоматизации в любой отрасли промышленности.
Отправьте письмо на нашу электронную почту со своей задачей, чертежами и техническим заданием, а наши квалифицированные специалисты помогут подобрать все необходимое оборудование под ваш проект.
Частотный преобразователь, мощность 55 кВт, 112 А, 3 фазы 380В, 50/60 Гц, IP20, -10…+40°C
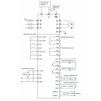
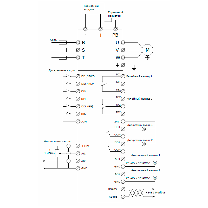
Преобразователи частоты серии FD30 –многофункциональное, решения для различных нагрузок. Наличие возможности гибкой параметризации, встроенного коммуникационного протокола ModBusRTU, большого количества входных/выходных сигналов делает преобразователь частоты FD30 прекрасным выбором. Преобразователь частоты может комплектоваться входным реактором переменного тока, входным фильтром электромагнитной совместимости, дросселем звена постоянного тока, выходным реактором переменного тока, синус-фильтром. Для нагрузок с высокой реактивной энергией при торможении, преобразователь может быть укомплектован тормозным модулем (встроен в модели до 30 кВт) и тормозными резисторами для разных характеристик торможения. Большое количество управляющих контактов позволяет реализовать многофункциональный пульт управления без использования дополнительных контроллеров.
Технические характеристики FD30-55G-4 Преобразователь частоты
|
Тип оборудования
|
Частотный преобразователь |
|
Номинальный ток
|
112 А |
|
Мощность, кВт
|
55,0 |
|
Мощность подключаемых двигателей, кВт
|
55,0 |
|
Интерфейс
|
Modbus RTU |
|
Вид нагрузки
|
Общепромышленная |
|
ПИД-регулятор
|
Да |
|
Режим управления
|
Скалярный, векторный |
|
Род тока
|
AC |
|
Входное напряжение
|
3 фазы 380В |
|
Выходное напряжение
|
3 фазы 380В |
|
Количество фаз напряжения питания
|
3 |
|
Выходная частота
|
0...300 Гц |
|
Выносной пульт управления
|
Да |
|
Перегрузочная способность, А
|
168 |
|
Габариты
|
600х385х265 мм |
|
Степень защиты оболочки
|
IP20 |
|
Температура окружающей среды, °C
|
-10...+40 |
Документация FD30-55G-4 Преобразователь частоты
Наличие
Доставка и оплата в г. Санкт-Петербург
Доставим оборудование транспортной компанией или курьером. Возможен самовывоз. Отправляем товары ежедневно. Подробнее о вариантах доставки вы можете посмотреть на странице "Условия доставки".
Оплату от юридических лиц принимаем только по безналичному расчету. Частные лица могут оплачивать банковской картой онлайн на сайте. Подробное описание форм оплаты вы можете посмотреть на странице "Условия оплаты".
Если Вам нужна консультация менеджера, инженера или необходимы нестандартные условия покупки и доставки, обращайтесь по телефону: 8-804-555-12-93 или пишите на электронную почту: info134@rusautomation.ru.
Гарантии
«РусАвтоматизация» несет ответственность за любые дефекты производства, конструкции и исходных материалов оборудования в размере, не превышающем его стоимость.
При обнаружении дефектов или несоответствий заявленным характеристикам оборудования при его приемке, монтаже, наладке и эксплуатации в период гарантийного срока, покупатель составляет рекламационный акт. Документ нужно отправить по электронной почте: quality@rusautomation.ru. Подробнее в разделе "Гарантия"
